國家紡織檢針機校準規范標準起草單位
適用范圍:
本產品適用于檢測單個產品,廣泛應用于電子、制藥、食品、飲料、保健品、日化、輕工、農副產等多行業。如食品行業的調理品、糕點、火腿腸、方便面、冷凍食品、食品添加劑、色素、改性劑、防腐劑等。
產品特點:
一、重量檢測機
通用性強:整機標準化結構及標準化人機界面可完成各種物料的稱重;
操作簡單:使用威倫彩色人機界面,全智能化、人性化設計;輸送帶易于拆裝,安裝維護方便,便清潔;
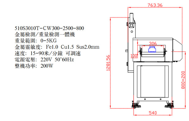
速度可調:采用變頻控制電機,速度可根據需要調節;
高速、高精度:采用高精度數字傳感器,采樣速度快,精度高;
零點追蹤:可手動或自動清零,以及動態零點追蹤;
報表功能:內置報表統計,報表可生成EXCEL格式,能自動生成多種實時數據報表,外置USB接口,可插U盤實時導出數據,隨時撐握生產狀況;提供出廠參數設置恢復功能,且可儲存多種配方,更換產品規格方便;
界面功能:預留標準界面,數據方便管理,可與PC及其它智能設備通訊聯接;
自學習:新建產品配方信息后無需設置參數,用自學習功能自動設置設備適合參數,并儲存方便下次切換產品時調用。(參數儲存條目2000個,可增加)。
二、金屬檢測機
1、操作系統采用人性化、智能化設計,高清7英寸觸摸屏,直觀便捷。該界面操作簡便,便于工作人員輕松直觀的操作,無需復雜的操作便可以獲取有效信息;
2、具有一鍵式自學習功能,只需根據設定的程序將被檢測產品通過檢測通道一次,即可自動準確設定和記憶產品參數,無需人工調節,操作使用十分簡單;
3、具有用戶訪問日志與檢測日志數據儲存與顯示。產品生產總數和檢出數量統計儲存功能,主界面可分開顯示生產總數、合格數、不良品檢測數(最大數字100萬),設備報警日志可儲存最近700條。日期萬年歷,日志可追溯;
4、卡索獨有的檢測信號強度顯示,能夠清晰的反映出產品中含有金屬異物的信號大小;
5、具有200多種產品參數記憶功能,可存儲200多種產品的檢測參數,一次設定存儲后,下次使用調用即可,無需再次調節。能夠在生產線上快速的進行產品轉換,最大限度的縮短設置時間;
6、具有開機自動故障檢測和提示功能,可有效杜絕無效檢測;




廣東連之新金屬檢測設備有限公司
Guangdong Lianzhixin Metal Testing Equipment Co., Ltd.
地址:廣東東莞市寮步鎮寮步百業路76號2棟118號
Add:No. 118, Building 2, No. 76, Baiye Road, Liaobu Town, Dongguan City, Guangdong Province, China
手機Mobile:13723581296 李生 / 13751381190 陳生
電話Tel:86-769-83228612
傳真Fax:86-769-83228650
網址Web:www.xjdns.com.cn